欢迎您,浏览新港海岸(北京)科技有限公司官方网站!
服务热线:+86-10-53821869 / +86-755-23480857
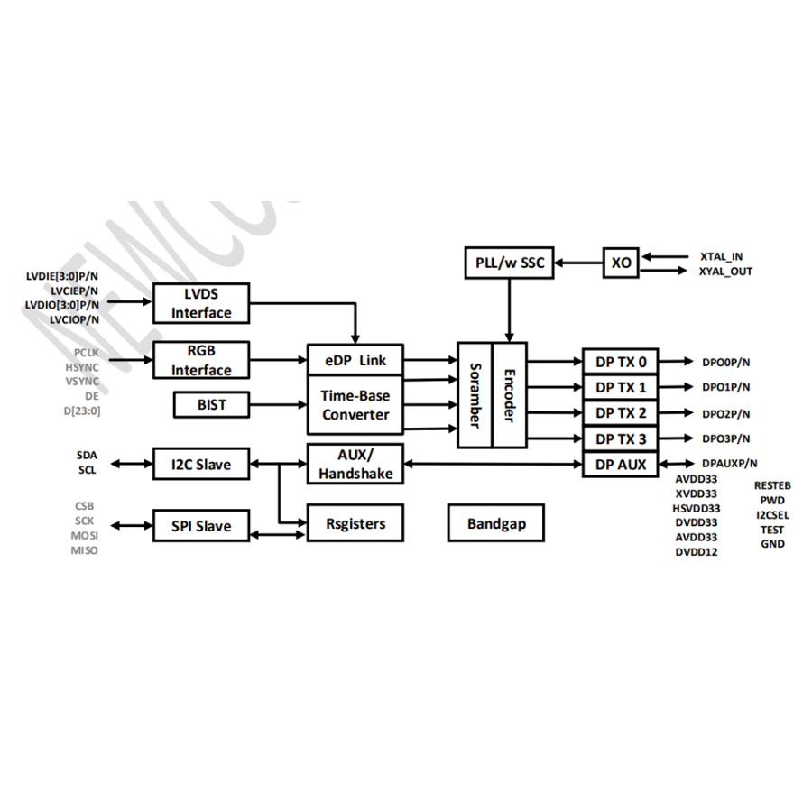
产品描述
NCS8801S is a low-power RGB/LVDS-to-DisplayPort/eDP converter, which is designed for mobile devices including smartphones, tablets, laptops, etc. to support high-definition DP/eDP displays. NCS8801S supports 4-lane DP/eDP output which is typically required to support QXGA (2048*1536) and above at 60Hz frame rate. All the functions including both RGB and LVDS interfaces pack into a small 7mm*7mm QFN56 package which saves the precious space in mobile devices.
产品参数
Embedded-DisplayPort (eDP) Output
1/2/4lane eDP @ 1.62/2.7Gbps per lane
UP to WQXGA (2560*1600) supported
Up to 6dB pre-emphasis
RGB Input
18/24bit RGB Interface
Pixel clock up to 270MHz
SDR/DDR supported
Pin order reversal supported
LVDS Input
Single/Dual-channel 6/8bit LVDS interface
400Mbps to 1Gbps per data pair
Built-in termination
Channel and polarity swap supported
Reference Clock
Any freq. between 19MHz and 100MHz
Crystal or single-ended clock input
Built-in 5000ppm SSC generator
Misc
I2C/SPI for chip configuration
Built-in eDP handshake protocol
I2C-AUX channel for TCON/DPCD/EDID
control
Built-in video test pattern
Power
1.2V core supply
2.5V or 3.3V IO supply
RGB IO can go down to 1.8V
Power consumption ~ 187mW
@ 1920*1080*24bit*60Hz, LVDS mode
Deep-sleep mode power <1mW
Package
QFN-56 (7mm x 7mm) package
RoHS Compliant
相关产品
产品咨询
北京总公司
北京市朝阳区望京绿地中心A座A区9层
深圳子公司
↵广东省深圳市福田区深南大道6019号金润大厦8层
西安分公司
西安市高新区锦业一路52号宝德云谷国际B座2003
合肥子公司
↵合肥市高新区创新大道2800号创新产业园2期F栋705
电话:+86-551-63657380


