欢迎您,浏览新港海岸(北京)科技有限公司官方网站!
服务热线:+86-10-53821869 / +86-755-23480857
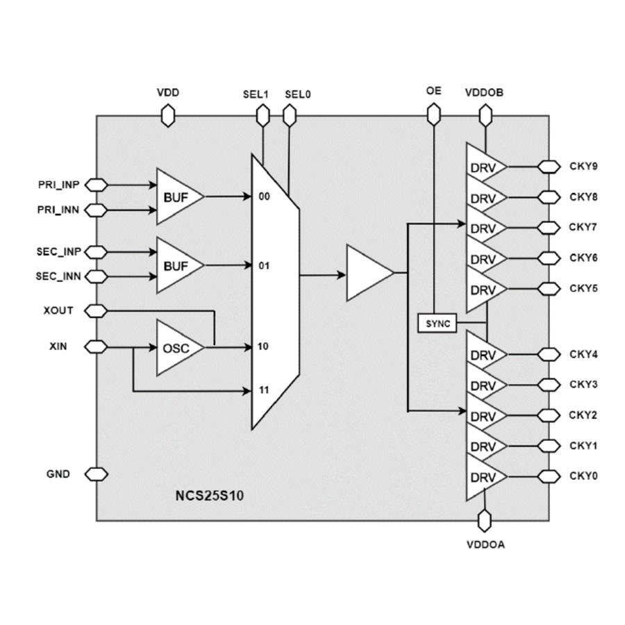
NCS25S10
- 输入类型 : LVPECL, LVDS, HCSL, SSTL, LVCMOS, LVTTL
- 输入端口数 : 3
- 输出端口数 : 10
- 输出类型 : LVCMOS
- 器件类型 : Single-Ended Buffer
- Core Supply Voltage(V) : 2.5V,3.3V
- Output Supply Voltage(V) : 1.5, 1.8, 2.5, 3.3V
- Output frequency(Min)(MHz) : DC
- Output frequency(Max)(MHz) : 200
- Additive Jitter(fs) : 30
- Temperature Range : -40 to 85
- Package : 32-pin QFN(5mm x 5mm)
输入端口数 : 3
输出端口数 : 10
输出类型 : LVCMOS
器件类型 : Single-Ended Buffer
产品描述
High-performance crystal buffer with ultra-low noise floor of -170 dBc/Hz
Low-power clock fanout buffer with additive jitter of 30 fs RMS (typical, 12k to 20M)
Level translation from 3.3V or 2.5V core supply to output supply of 3.3V, 2.5V, 1.8V or 1.5V
Device consists of primary, secondary and crystal inputs which are selectable through input pins.
Clock inputs can accept LVPECL, LVDS, HCSL, SSTL, LVCMOS or LVTTL signals.
Both differential and single-ended inputs are supported with frequencies from DC to 200MHz.
Support either DC or AC-coupled input interface.
产品参数
Crystal frequencies from 8MHz to 50MHz.
Crystal overdrive mode or bypass mode
10 Single-ended LVCMOS output with two independent output supply banks.
Operate up to 200MHz
Low propagation delay of 1ns (typical)
Output skew of 30ps (typical)
Synchronous and glitch-free output enable through input pin
Offered in 32-pin QFN package (5-mm x 5-mm)
Core Supply Voltage(V):2.5V,3.3V
Output Supply Voltage(V):1.5, 1.8, 2.5, 3.3V
Output frequency(Min)(MHz):DC
Output frequency(Max)(MHz):200
Additive Jitter(fs):30
Temperature Range:-40 to 85
Package:32-pin QFN(5mm x 5mm)
相关产品
产品咨询
北京总公司
北京市朝阳区望京绿地中心A座A区9层
深圳子公司
↵广东省深圳市福田区深南大道6019号金润大厦8层
西安分公司
西安市高新区锦业一路52号宝德云谷国际B座2003
合肥子公司
↵合肥市高新区创新大道2800号创新产业园2期F栋705
电话:+86-551-63657380


